| 管道送排风机系列 » GXF(SJG)型斜流式风机 |
|
 |
 |
GXF-Ⅰ(SJG)管道斜流风机 |
 |
机号:2#-8# 风量:200-25000m3/h 全压:54-1200Pa |
 |
特点:彩用鼓形风筒、锥形轮毂叶轮,风压高、风量大、噪音低、耗电省、结构紧凑等优点,卧式、立式安装均可,最适用于直管道和加压送排风,I材料采用钢制,结构可靠,外形美观,安装方便,造价低廉。 |
 |
应用:工业和民用建筑的送排风系统。 |
|
 |
 |
FGXF-I型(FSJG)防腐型管道斜流风机 |
 |
机号:2#-8# 风量:200-25000m3/h 全压:54-1200Pa |
 |
特点:彩用鼓形风筒、锥形轮毂叶轮,风压高、风量大、噪音低、耗电省、结构紧凑等优点,卧式、立式安装均可,最适用于直管道和加压送排风,材料采用玻璃钢制成防腐型,可用于输送含有腐蚀性的气体。配防爆电机,制成防爆型,用于输送易燃易爆的气体。 |
 |
应用:工业和民用建筑的送排风系统。 |
|
 |
 |
GXF-Ⅱ管道斜流风机 |
 |
机号:4#14#风量:2472-114829m3/h全压:168-1381Pa |
 |
特点:直形风筒、锥形轮毂叶轮,风压高、噪音低、耗电省、结构紧凑等优点,卧式、立式安装均可,最适用于直管道和加压送排风,可制成屋顶式。 |
 |
应用:工业和民用建筑的送排风系统。 |
|
|
| 一、性能参数表 |
| GXF-Ⅰ型 |
|
机号 |
转速 (rpm) |
风量 (m3/h) |
风压 (Pa) |
功率 (kW) |
噪声 dB(A) |
重量 Kg |
|
2.0F |
1450 |
200 400 500 600
|
110 91 70 54
|
0.04 |
58 |
16 |
|
2.5F |
1450 |
300 450 600 1000
|
180 165 150 110
|
0.12 |
60 |
24 |
|
2.5D |
2900 |
580 890 1210 1980
|
716 650 580 450
|
0.75 |
73 |
32 |
|
3.0F |
1450 |
500 750 1500 2000
|
260 240 170 130
|
0.25 |
61 |
27 |
|
3.0D |
2900 |
980 1460 2880 3860
|
1000| 950 670 500
|
1.1 |
77 |
46 |
|
3.5S |
960 |
800 1500 2000 2500
|
140 100 80 50
|
0.18 |
59 |
42 |
|
3.5F |
1450 |
1000 2000 3000 4000
|
320 200 190 110
|
0.37 |
61 |
45 |
|
3.5D |
2900 |
1900 3860 5800 7880
|
1100 760 720 430
|
2.2 |
79 |
65 |
|
4.0S |
960 |
1000 2000 3000 4000
|
190 150 110 51
|
0.25 |
60 |
61 |
|
4.0F |
1450 |
1500 2500 4000 5000
|
420 390 280 220
|
0.75 |
62 |
67 |
|
|
|
机号 |
转速 (rpm) |
风量 (m3/h) |
风压 (Pa) |
功率 (kW) |
噪声 dB(A) |
重量 Kg |
|
4.5S |
960 |
1500 3000 4000 5000
|
360 275 150 100
|
0.37 |
61 |
70 |
|
4.5F |
1450 |
2000 4000 6000 7000
|
580 480 350 250
|
1.1 |
68 |
80 |
|
5.0S |
960 |
1500 2500 4000 6000
|
360 290 240 150
|
0.75 |
63 |
90 |
|
5.0F |
1450 |
2000 4000 7000 10000
|
710 580 480 345
|
2.2 |
69 |
110 |
|
6.0S |
960 |
3000 6000 11000
|
480 360 260 240
|
1.5 |
65 |
150 |
|
6.0F |
1450 |
4000 8000 12000 18000 |
1200 870 690 380
|
5.5 |
75 |
165 |
|
7.0S |
960 |
4000 8000 15000 18000
|
600 500 350 260
|
3 |
72 |
215 |
|
8.0E |
720 |
6000 10000 15000 25000
|
700 585 510 210
|
4 |
65 |
372 |
|
8.0S1 |
960 |
6000 10000 15000 25000
|
780 700 600 400
|
5.5 |
71 |
320 |
|
8.0S2 |
960 |
6000 10000 15000 25000
|
880 790 685 510
|
7.5 |
72 |
360 |
|
|
|
| GXF-Ⅱ型 |
|
机号 |
转速 (rpm) |
风量 (m3/h) |
风压 (Pa) |
单速功 率(kw) |
双速功 率(kw) |
噪声 dB(A) |
重量 Kg |
|
4A |
2900 |
7260 6845 6403 5928 5134
|
490 651 803 903 1012 |
2.2 |
2.5/0.65 |
86 |
63 |
|
1450 |
3810 3496 3151 2898 2472 |
132 163 198 210 220
|
0.37 |
70 |
40 |
|
4B |
1450 |
4527 4163 3766 3438 3075
|
175 218 271 293 308
|
0.55 |
|
76 |
54 |
|
4.5A |
2900 |
9897 9164 8365 7483 6480
|
556 760 927 1023 1089
|
3 |
3.1/0.8 |
87 |
82 |
|
1450 |
5416 4917 4473 4120 3514
|
168 206 250 266 278
|
0.55 |
73 |
50 |
|
4.5B |
1450 |
6390 5878 5317 4854 4341 |
223 276 343 371 390
|
0.75 |
|
77 |
64 |
|
5A |
2900 |
12083 11249 9360 6976 3120
|
498 659 1008 1152 1286
|
4 |
4.4/1.1 |
90 |
102 |
|
1450 |
7471 6856 6179 5684 4848
|
207 254 309 328 343
|
0.75 |
74 |
63 |
|
5B |
1450 |
8876 8164 7385 6741 6030
|
275 341 423 458 481
|
1.5 |
|
81 |
84 |
|
5.5A |
2900 |
17656 15794 13676 11167 7897
|
839 1165 1398 1522 1580
|
7.5 |
8/2 |
93 |
145 |
|
1450 |
9664 9111 8523 7891 6833
|
231 308 380 427 479
|
1.5 |
80 |
88 |
|
5.5B |
1450 |
11814 10868 9829 8974 8026
|
333 413 512 554 582
|
2.2 |
|
82 |
105 |
|
|
|
机号 |
转速 (rpm) |
风量 (m3/h) |
风压 (Pa) |
单速功 率(kw) |
双速功 率(kw) |
噪声 dB(A) |
重量 Kg |
|
6A |
2900 |
20829 19392 16134 12025 8379
|
747 989 1512 1729 1930
|
11 |
12.5/2.8 |
93 |
213 |
|
1450 |
13488 12341 11106 10231 8726
|
298 366 445 472 494 |
2.2 |
81 |
105 |
|
6B |
1450 |
13875 12896 11835 10667 9355
|
341 472 556 635 673
|
3 |
|
85 |
120 |
|
6.5A |
2900 |
25893 24106 20056 16688 13688
|
877 1162 1776 2031 2166
|
15 |
16.5/3.8 |
96 |
234 |
|
1450 |
16571 15428 12836 10680 8760
|
237 314 480 548 585
|
3 |
85 |
114 |
|
6.5B |
1450 |
16762 15382 13865 12754 10876
|
365 447 544 578 604
|
3 |
|
86 |
120 |
|
7A |
1450 |
26251 24438 22985 21432 19761
|
654 781 852 915 945
|
11 |
12/4 |
90 |
259 |
|
960 |
16332 15024 13588 12405 11095
|
241 300 372 403 423
|
2.2 |
84 |
154 |
|
7B |
1450 |
21927 20122 18138 16683 14229
|
430 526 640 679 710
|
4 |
|
85 |
146 |
|
8A |
1450 |
36350 33444 30249 27615 24699
|
745 924 1146 1249 1304
|
15 |
15.5/5.1 |
94 |
340 |
|
960 |
21815 20020 18046 16597 14156
|
248 309 371 394 412
|
3 |
94 |
340 |
|
8B |
960 |
24409 22506 20309 18541 16582
|
316 392 486 527 553
|
5.5 |
|
85 |
221 |
|
|
|
|
机号 |
转速 (rpm) |
风量 (m3/h) |
风压 (Pa) |
单速功 率(kw) |
双速功 率(kw) |
噪声 dB(A) |
重量 Kg |
|
9A |
1450 |
45424 41684 37574 34588 29475
|
732 896 1088 1156 1207
|
15 |
15.5/5.1 |
91 |
382 |
|
960 |
29806 28050 25688 23629 20151 |
284 325 397 450 479
|
4 |
79 |
278 |
|
9B |
960 |
32436 30246 27886 26191 22429
|
368 465 570 635 702
|
7.5 |
|
88 |
362 |
|
10A |
1450 |
55569 51733 47588 43043 35145
|
687 824 942 1112 1192
|
18.5 |
18.5/6.2 |
91 |
428 |
|
960 |
36790 34247 31503 28494 23266 |
301 361 412 487 522
|
5.5 |
81 |
395 |
|
10B |
960 |
40514 38198 34426 31667 28647 |
367 485 640 692 760 |
11 |
|
86 |
440 |
|
11A |
960 |
64085 58950 53323 48677 43537
|
610 757 940 1017 1068
|
22 |
22/11 |
94 |
610 |
|
720 |
42547 39045 35195 32370 27609
|
265 325 396 420 439
|
5.5 |
82 |
430 |
|
11B |
960 |
53969 50855 45867 42191 38162
|
444 581 773 836 918 |
15 |
|
88 |
557 |
|
|
|
机号 |
转速 (rpm) |
风量 (m3/h) |
风压 (Pa) |
单速功 率(kw) |
双速功 率(kw) |
噪声 dB(A) |
重量 Kg |
|
12A |
960 |
70926 66881 60285 55454 50158 |
528 698 922 966 1095
|
22 |
22/11 |
94 |
718 |
|
720 |
53886 49432 44558 40982 34954
|
326 399 485 515 538
|
7.5 |
84 |
544 |
|
12B |
960 |
66363 59361 51404 41971 29681
|
447 621 761 812 842
|
15 |
|
91 |
602 |
|
13A |
960 |
89950 84808 76444 70319 63603
|
633 836 1103 1193 1310
|
37 |
37/18 |
97 |
968 |
|
720 |
71199 65338 58895 54169 46201
|
382 467 568 603 631
|
15 |
87 |
812 |
|
13B |
720 |
71949 66868 61363 55310 48509
|
415 573 676 772 819
|
22 |
|
92 |
991 |
|
14A |
960 |
114829 105377 94925 86965 74514
|
798 977 1188 1261 1318
|
45 |
45/22 |
98 |
1227 |
|
720 |
86122 79033 71194 65224 55885
|
448 549 668 709 741
|
18.5 |
89 |
920 |
|
14B |
720 |
83109 78353 73292 67856 58763
|
407 542 662 752 843
|
22 |
|
90 |
954 |
|
|
|
| 注:双速风机重量参同号中高速风机的重量。 |
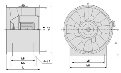
| 二、GXF-Ⅰ型风机外形尺寸表(单位:mm) |
 |
|
机 号 |
D |
D1 |
D2 |
D3 |
L1 |
L2 |
L |
A |
B |
H |
n-Φ1 |
4-Φ2 |
|
2 |
200 |
240 |
260 |
350 |
160 |
280 |
320 |
110 |
160 |
190 |
6-Φ6.5 |
Φ10.5 |
|
2.5 |
250 |
290 |
310 |
420 |
195 |
350 |
390 |
150 |
200 |
230 |
6-Φ6.5 |
Φ10.5 |
|
3 |
300 |
340 |
360 |
470 |
195 |
350 |
390 |
190 |
240 |
260 |
6-Φ6.5 |
Φ10.5 |
|
3.5 |
350 |
390 |
410 |
550 |
250 |
460 |
500 |
230 |
280 |
290 |
8-Φ8.5 |
Φ12.5 |
|
4 |
400 |
440 |
460 |
610 |
250 |
460 |
500 |
270 |
320 |
330 |
8-Φ8.5 |
Φ12.5 |
|
4.5 |
450 |
490 |
510 |
660 |
265 |
490 |
530 |
300 |
360 |
350 |
8-Φ8.5 |
Φ12.5 |
|
5 |
500 |
550 |
570 |
750 |
315 |
590 |
630 |
300 |
460 |
390 |
8-Φ8.5 |
Φ12.5 |
|
6 |
600 |
650 |
680 |
870 |
350 |
650 |
700 |
420 |
500 |
460 |
10-Φ10.5 |
Φ14.5 |
|
7 |
700 |
750 |
780 |
903 |
350 |
650 |
700 |
500 |
600 |
480 |
10-Φ10.5 |
Φ14.5 |
|
8 |
800 |
850 |
880 |
1120 |
450 |
850 |
900 |
580 |
700 |
580 |
10-Φ12.5 |
Φ14.5 |
|
| 三、XGXF-Ⅰ型加消音风机外形尺寸表(单位:mm) |
 |
|
机号 |
D |
D1 |
D4 |
L3 |
n-Φ1 |
|
2 |
200 |
240 |
400 |
200 |
6-Φ6.5 |
|
2.5 |
250 |
290 |
450 |
250 |
6-Φ6.5 |
|
3 |
300 |
340 |
500 |
300 |
6-Φ8.5 |
|
3.5 |
350 |
390 |
550 |
350 |
8-Φ8.5 |
|
4 |
400 |
460 |
600 |
400 |
8-Φ8.5 |
|
|
|
机号 |
D |
D1 |
D4 |
L3 |
n-Φ1 |
|
4.5 |
450 |
505 |
650 |
450 |
8-Φ8.5 |
|
5 |
500 |
555 |
700 |
500 |
8-Φ8.5 |
|
6 |
600 |
665 |
800 |
600 |
10-Φ10.5 |
|
7 |
700 |
760 |
900 |
700 |
10-Φ10.5 |
|
8 |
800 |
860 |
1000 |
800 |
10-Φ10.5 |
|
|
| 注:XGXF-Ⅰ型风机进出口加设消声器,可消声6-10dB(A),亦可加长消声器,以降底更大数值的噪声。 |
| 四、GXF-Ⅱ型风机外(单位:mm) |
 |
| GXF-Ⅱ-A型低速、GXF-Ⅱ-B型外形尺寸表 |
|
机 号 |
D1 |
D2 |
L |
H |
M1 |
M2 |
M3 |
M4 |
Φ1 |
|
4 |
410 |
470 |
450 |
270 |
300 |
340 |
200 |
300 |
Φ10.5 |
|
4.5 |
460 |
520 |
450 |
300 |
300 |
340 |
250 |
350 |
Φ10.5 |
|
5 |
510 |
580 |
500 |
320 |
340 |
380 |
300 |
400 |
Φ10.5 |
|
5.5 |
560 |
630 |
570 |
350 |
420 |
460 |
400 |
500 |
Φ14.5 |
|
6 |
610 |
690 |
570 |
380 |
420 |
460 |
400 |
500 |
Φ14.5 |
|
6.5 |
660 |
740 |
570 |
410 |
420 |
460 |
400 |
500 |
Φ14.5 |
|
7 |
710 |
790 |
600 |
430 |
440 |
480 |
500 |
600 |
Φ14.5 |
|
8 |
810 |
890 |
730 |
490 |
560 |
600 |
500 |
600 |
Φ14.5 |
|
9 |
910 |
990 |
800 |
560 |
600 |
660 |
600 |
700 |
Φ16.5 |
|
10 |
1010 |
1090 |
920 |
610 |
720 |
780 |
600 |
700 |
Φ16.5 |
|
11 |
1110 |
1260 |
1030 |
660 |
730 |
800 |
700 |
800 |
Φ16.5 |
|
12 |
1210 |
1310 |
1100 |
730 |
820 |
880 |
800 |
900 |
Φ16.5 |
|
13 |
1310 |
1410 |
1150 |
760 |
830 |
900 |
900 |
1000 |
Φ16.5 |
|
14 |
1410 |
1510 |
1230 |
800 |
930 |
1000 |
900 |
1000 |
Φ16.5 |
|
| GXF-Ⅱ-A型高速及双速型外形尺寸表 |
|
机 号 |
D1 |
D2 |
L |
H |
M1 |
M2 |
M3 |
M4 |
Φ1 |
|
4 |
410 |
470 |
500 |
270 |
340 |
380 |
200 |
300 |
Φ10.5 |
|
4.5 |
460 |
520 |
500 |
300 |
340 |
380 |
250 |
350 |
Φ10.5 |
|
5 |
510 |
580 |
530 |
320 |
340 |
380 |
300 |
400 |
Φ10.5 |
|
5.5 |
560 |
630 |
620 |
350 |
420 |
460 |
400 |
500 |
Φ14.5 |
|
6 |
610 |
690 |
720 |
380 |
520 |
560 |
400 |
500 |
Φ14.5 |
|
6.5 |
660 |
740 |
720 |
410 |
520 |
560 |
400 |
500 |
Φ14.5 |
|
7 |
710 |
790 |
740 |
430 |
540 |
580 |
500 |
600 |
Φ14.5 |
|
8 |
810 |
890 |
830 |
490 |
580 |
660 |
500 |
600 |
Φ14.5 |
|
9 |
910 |
990 |
850 |
560 |
620 |
680 |
600 |
700 |
Φ14.5 |
|
10 |
1010 |
1090 |
880 |
610 |
740 |
700 |
600 |
700 |
Φ16.5 |
|
11 |
1110 |
1210 |
1010 |
660 |
740 |
800 |
700 |
800 |
Φ16.5 |
|
12 |
1210 |
1300 |
1100 |
730 |
800 |
870 |
800 |
900 |
Φ16.5 |
|
13 |
1310 |
1410 |
1280 |
760 |
930 |
1000 |
900 |
1000 |
Φ16.5 |
|
14 |
1410 |
1510 |
1290 |
800 |
930 |
1000 |
900 |
1000 |
Φ16.5 |
|
| GXF-Ⅱ-A型高速及双速型外形尺寸表 |
|
机 号 |
D1 |
D2 |
L |
H |
M1 |
M2 |
M3 |
M4 |
Φ1 |
|
4 |
410 |
470 |
500 |
270 |
340 |
380 |
200 |
300 |
Φ10.5 |
|
4.5 |
460 |
520 |
500 |
300 |
340 |
380 |
250 |
350 |
Φ10.5 |
|
5 |
510 |
580 |
530 |
320 |
340 |
380 |
300 |
400 |
Φ10.5 |
|
5.5 |
560 |
630 |
620 |
350 |
420 |
460 |
400 |
500 |
Φ14.5 |
|
6 |
610 |
690 |
720 |
380 |
520 |
560 |
400 |
500 |
Φ14.5 |
|
6.5 |
660 |
740 |
720 |
410 |
520 |
560 |
400 |
500 |
Φ14.5 |
|
7 |
710 |
790 |
740 |
430 |
540 |
580 |
500 |
600 |
Φ14.5 |
|
8 |
810 |
890 |
830 |
490 |
580 |
660 |
500 |
600 |
Φ14.5 |
|
9 |
910 |
990 |
850 |
560 |
620 |
680 |
600 |
700 |
Φ14.5 |
|
10 |
1010 |
1090 |
880 |
610 |
740 |
700 |
600 |
700 |
Φ16.5 |
|
11 |
1110 |
1210 |
1010 |
660 |
740 |
800 |
700 |
800 |
Φ16.5 |
|
12 |
1210 |
1300 |
1100 |
730 |
800 |
870 |
800 |
900 |
Φ16.5 |
|
13 |
1310 |
1410 |
1280 |
760 |
930 |
1000 |
900 |
1000 |
Φ16.5 |
|
14 |
1410 |
1510 |
1290 |
800 |
930 |
1000 |
900 |
1000 |
Φ16.5 | |
| 注:GXF-Ⅱ型亦可加装进出口消声器,加装方法同XGXF-Ⅰ型,一般可消声6-10dB(A)。 |
|